这个电子元件是什么?起什么作用?
从图上分析,这应该是贴片MOS场效应功率管,配合电源IC和电感、电容等起到电压变换作用【DC-DC】。比如把输入主电压从12V变到5V,或者变到3.3V供给主板的不同芯片和电路部分。 控制IC输出控制信号来控制这个功率MOS管的导通时间,利用电容和电感的储存能作用起到精确的电压变换和调整、稳定。 如果能提供更清晰的元件图片和整个电路板的照片,可以更进一步确定具体功能,提供详细资料。这是什么电子元件?有起什么作用
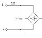
这是BMMKP/MKPPH小型化系列专用交流安规电容器,安规电容器用于抑制电源电磁干扰或阻容降压(如LED驱动模块、电表、小家电等低功率电子消费产品)。图示电容容量为0.1uf;误差±10%;额定电压交流275V。
抑制电源电磁干扰应用

阻容降压应用

这是什么电子元件呀,作用是什么呢?
这是电位器,一般可用于音响中,作为高音低音平衡、话筒音量、混响等调节,另外还有6个引脚的双联电位器,还有音量专用的8引脚的。其中一组专用于等响控制输入。这个电路元件叫什么 是干什么用的?
这是继电器,你看元件位号名称就知道, RL就表示relay (继电器的英文)。
继电器,通常应用于自动化的控制电路中,它实际上是用小电流去控制大电流运作的一种“自动开关”。故在电路中起着自动调节、安全保护、转换电路等作用。